
MIL-DTL-8971F
NOTES:
1. All dimensions are in inches.
2. The A datum is a reference axis located at the longitudinal centerline.
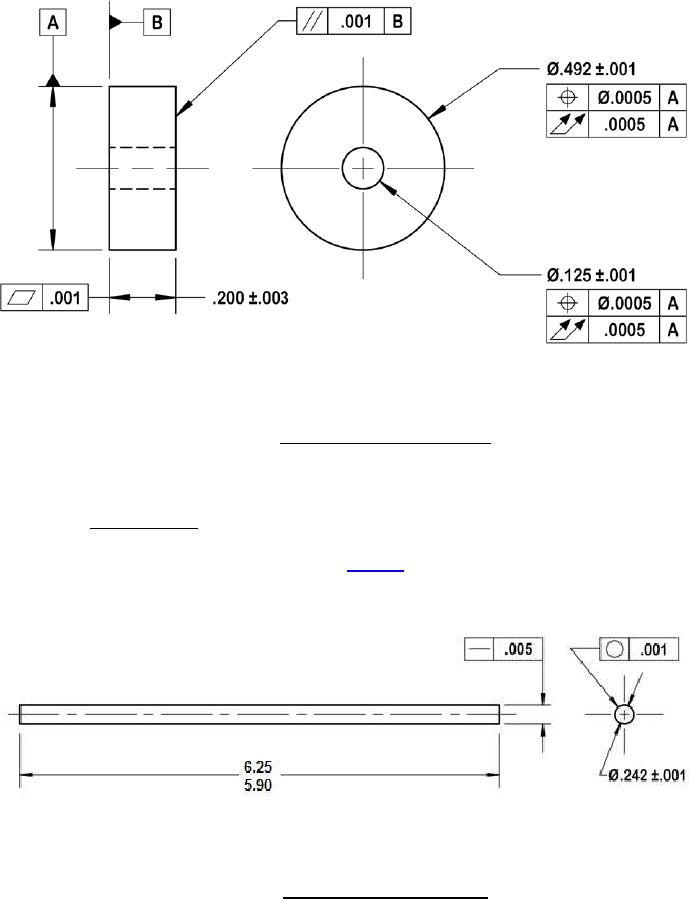
FIGURE 1. Dimensions of disk electrode.
3.3.2 Rod electrodes. Rod electrodes shall be true cylindrical forms, having a circular
cross-section with a diameter of 0.242 inch. They shall be between 5.90 and 6.25 inches long.
For tolerances and maximum bow allowable, see figure 2. Rod electrodes shall be capable of
passing freely through a 0.244-inch diameter hole.
NOTE:
1. All dimensions are in inches.
FIGURE 2. Dimensions of rod electrode.
4
For Parts Inquires submit RFQ to Parts Hangar, Inc.
© Copyright 2015 Integrated Publishing, Inc.
A Service Disabled Veteran Owned Small Business